|
典型應用:
1、SDL、SDLT泵為立式多級離心泵,其管道式結構可以確保泵殼直接安裝在進出在同一水平線上且管徑相同的水平管路系統中,這種設計使泵的結構和管路更為緊湊。
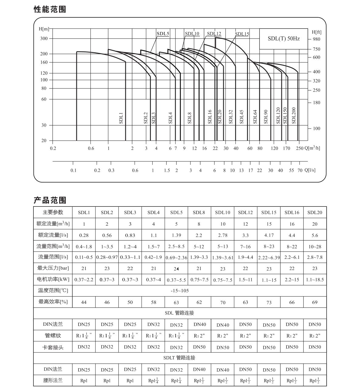
2、SDL,SDLT泵有不同的泵規格和不同級數,以滿足所需的流量和壓力。
3、SDL(T)是一種多功能產品,可以輸送從自來水到工業液體的各種不同介質,適用于不同溫度,流量和壓力范圍。
4、SDLT適用于無腐蝕性液體,SDL適用于輕度腐蝕性液體。
5、供水:水廠過濾與輸送、水廠分區送水、主管網增壓、消防系統、汽車清洗。
6、工業液體輸送:冷卻和空調系統、鍋爐給水,和冷凝系統、機床配套。
7、輸送:油和酒精、酸和堿、乙二醇和冷卻劑。
8、水處理:超濾系統、反滲透系統、蒸餾系統、分離器、游泳池。
9、灌溉:區域灌溉、噴灌、滴管。
泵說明
SDL(T)為配用標準電機的非自動立式多級離心泵,電機軸和泵軸用聯軸器直接連接,把拉桿用螺母將外筒,過流不見固定在支架和進出水體之間,泵進出水口在泵底部的同一直線上。
泵可根據需要配置智能保護器,對泵的干轉,缺相,過載等進行有效的保護。
電機
電機為全封閉,風冷式二級標準電機
防護等級:IP55
絕緣等級:F
標準電壓:50Hz:1x200-230/240V
3x200-220/346-380V
3x220-240/380-415V
3x220-255/380-440V
其它電壓的電機按要求可供
單相電機從0.37~2.2kW可供。



全國招商熱線:17766075139
郵箱:2851551287@qq.com
地址:南京市江北新區葛塘街道博富路27號

微信客服